Verify this business. It’s free.

Verify info such as opening hours, services, and more.

Verify this business page
PM Pest Control logo - Professional Wildlife And Pest Control in Phoenix, AZ
Unverified Cleaning & Maintenance

PM Pest Control in Phoenix, Arizona

5/5 (2 Reviews)
8:00 AM - 5:00 PM See hours
pin icon Phoenix, AZ, 85029
Call Now

Highlights from the Business

Money Back Guarantee
Licensed
Licensed & Insured
Experience
Industry Leading Service

About PM Pest Control

We’ve been protecting Glendale homes from pests since 2009, bringing over 40 years of industry expertise to every job. Our technicians handle everything from termites and scorpions to bed bugs and rodents, ensuring your family gets lasting relief. We service the entire Phoenix valley with the same care you’d expect from a locally-owned operation.

Top Highlights From Customer Reviews

This pro is highly recommended.

AI-Generated Review Summary

Top Reviews

  • A

    Adam C.

    10 years ago
    Yes, I recommend this pro
  • J

    John U.

    17 years ago
    Yes, I recommend this pro

Neighborhoods

  • Glendale
  • Scottsdale
  • Tempe
  • Paradise Valley
  • Guadalupe
  • Tolleson
  • Youngtown
  • Litchfield Park
  • El Mirage
  • Surprise
  • Sun City
  • Fountain Hills

Extra Info

Features

  • Pest & Wildlife Experts
  • Recommended By Neighbors
  • Phoenix, AZ Local
  • Quality Pest Control
  • Professional Service

Social Media

Accepted Payment Methods

  • credit card
  • debit card
  • cash
  • bank transfer

FAQ

How does PM Pest Control determine pricing, and do you offer free estimates?

We provide free estimates for all pest control services in the Phoenix valley. During your estimate, our technicians conduct a thorough inspection of your property to identify the type and extent of pest activity, which allows us to give you an accurate quote tailored to your specific situation. The cost depends on factors like the size of your home, the type of pest, and the severity of the infestation, so every estimate is customized rather than based on a one-size-fits-all approach.

Are you licensed and insured?

PM Pest Control is fully licensed and insured to operate throughout the Phoenix valley. We maintain all required certifications and carry comprehensive insurance to protect your home and family during treatment. You can request proof of our licensing and insurance credentials at any time, and we're happy to provide documentation for your records before any work begins.

Does PM Pest Control handle termite inspections and treatment?

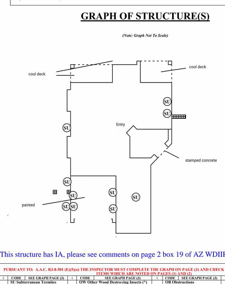
Yes, termite control is one of our core services. We specialize in identifying and treating subterranean termites, which are common in the Arizona climate. Our technicians use detailed inspection methods to locate termite activity, map damage, and identify shelter tubes, then develop a treatment plan to eliminate the infestation and prevent future damage to your home's structure.

How long does a typical pest control service appointment take?

PM Pest Control schedules initial appointments to allow adequate time for a comprehensive inspection and treatment. Your first service typically takes longer than follow-up visits because we need to thoroughly evaluate your property, identify all pest entry points and conducive conditions, and develop a customized treatment plan. Subsequent appointments are generally faster since we're familiar with your home and its specific pest pressures.

What happens to waste and debris after PM Pest Control treats my home?

We handle all cleanup and proper disposal of treatment materials and pest debris as part of our service. Our technicians leave your home clean and safe, with all pesticides and equipment properly managed according to environmental and safety regulations. We take responsibility for the entire job from start to finish, so you don't have to worry about hazardous waste or leftover materials.

Why should I hire a professional instead of trying DIY pest control?

Professional pest control is safer and more effective than DIY methods because we use EPA-approved products correctly and understand pest biology at different life stages. We identify the root causes of infestations, such as entry points and conducive conditions, and address them systematically rather than just treating symptoms. Our experience with local pests in Glendale and the Phoenix valley means we know which methods work best for your climate and home type, saving you time, money, and frustration in the long run.

Still have questions? Talk directly to the owner.

Please give more details about the question

Location & Hours

Service Area:

Serving Phoenix, AZ & Surrounding Areas
Mon 8:00 AM - 5:00 PM
Tue 8:00 AM - 5:00 PM
Wed 8:00 AM - 5:00 PM
Thu 8:00 AM - 5:00 PM
Fri 8:00 AM - 5:00 PM
Sat Closed
Sun Closed

People also searched for...